教学科研

教学科研

Teaching and scientific research
您的位置:首页 - 教学科研 - 教学动态
返回上级

巾帼绽芳华 · 课堂展风采 | 宝山技校教学竞赛获奖女教师示范课展示活动圆满结束

时间:2026-04-13 来源:本站作者:宝山技工

  2026年3月下旬,宝山技校“巾帼绽芳华·课堂展风采”教学竞赛获奖女教师示范课展示活动圆满落下帷幕。活动中,先进制造系严密老师、艺术设计系林育纯老师、汽车技术系沈梅老师依次登台,呈现了三节精彩纷呈的示范课堂。三位女教师教学风格各具特色、专业功底扎实深厚、课堂演绎富有感染力,充分展现了新时代女教师的育人风采,为全体教师献上了一场精彩的教学艺术盛宴。

  精彩示范课堂

  先进制造系严密老师:

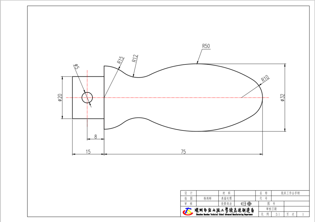
  《铣床工作台手柄的绘制》

  课上,严密老师以清晰的教学思路、严谨的教学设计和生动的课堂互动,充分展现了其在专业教学与课程设计方面的深厚素养。课堂伊始,她通过实际加工案例引入课题,自然衔接理论知识与绘图实践,有效激发学生的学习兴趣。在讲授环节,严密老师紧扣绘图要点,分步演示、层层递进,引导学生逐步掌握手柄的结构分析与绘制技巧。

  

DSC_9784_副本_副本.jpg


  

DSC_6994_副本.jpg


  同时,严密老师注重师生互动,适时设置提问与练习环节,鼓励学生动手操作、主动探究,课堂氛围活跃而有序。整堂课坚持理实一体、讲练结合,既夯实了学生的专业技能,又提升了解决实际问题的能力,教学效果显著,赢得了现场师生的一致好评。

  

DSC_7120_副本.jpg


  

微信图片_20260325110352_137_169_副本.jpg


  汽车技术系沈梅老师:

  《新能源汽车慢充不充电故障检测》

  沈梅老师带来的课题是《新能源汽车慢充不充电故障检测》,课堂在汽车技术系汽车实训中心开展。

  

图片


  

图片


  

图片


  

图片


  上课铃响,沈老师首先展示了一段真实维修案例视频:一位车主因车辆慢充无法充电而焦急万分。她顺势抛出问题:“如果你是维修技师,第一步该做什么?”学生们纷纷抢答。沈老师没有直接给出答案,而是引导学生按照“故障现象确认—电路图分析—测量点选择—数据判读”的逻辑层层推进。她手持万用表,在高压安全防护下,逐一演示了充电枪CC、CP信号的测量方法,并特别强调了安全操作规程——断电、验电、挂警示牌,每一步都严谨到位。

  

图片


  

图片


  在实操环节,学生们两人一组,在故障模拟台架上进行检测。沈老师穿梭于各小组之间,不时蹲下身来,与学生一起观察波形、比对数据。当一组学生发现“CP信号占空比异常”时,她鼓励他们结合电路图逆向推理,最终锁定了“充电桩与车辆握手协议故障”。整堂课既有技术深度,又充满探索乐趣,学生们在“做中学、学中做”中掌握了故障树分析法,职业素养悄然提升。

  

图片


  

图片


  艺术设计系林育纯老师:

  《寸心寄华夏 五四漾韶华——幼儿园主题展板制作》

  林育纯老师讲授的课题是《寸心寄华夏 五四漾韶华——幼儿园主题展板制作》。课堂伊始,林老师以一段五四运动的历史影像资料引入,瞬间将学生带入那个热血沸腾的年代。她并未急于讲解展板的制作技巧,而是先引导学生思考:“如果为幼儿园的孩子设计一块五四主题展板,你会选择哪些元素来传递爱国精神?”巧妙设问充分激发了学生的创作热情与家国情怀。

  

图片


  

林育纯课堂 (11).jpg


  

林育纯课堂 (13).jpg


  

林育纯课堂 (6).jpg


  在讲课过程中,林老师细致演示了从主题提炼、版面构图到色彩搭配、材料选择的全流程。她特别强调了“儿童视角”——展板不仅要美观,更要符合幼儿的认知特点,运用明亮的色彩、简洁的图形和互动性强的立体装置。

  

图片


  

图片


  

图片


  

图片


  

图片


  学生们分组讨论,在林老师的指导下,用卡纸、黏土、废旧材料等现场制作微型展板模型。一位学生设计了“红领巾向国旗敬礼”的立体折页,林老师俯身点评,肯定其创意,同时建议增加触摸感知的绒布材质,让展板更具亲和力。课堂上气氛活跃,学生们在动手实践中深刻理解了“以美育人、以文化人”的内涵。

  

图片


  

林育纯课堂 (8).jpg


  

林育纯课堂 (3).jpg


  学生作品

  本次公开课学生作品展示环节成为课堂亮点。严密老师的学生提交了手柄图作品,绘图规范、尺寸精准;沈梅老师课堂中,学生借助故障树分析法,准确完成慢充故障的检测与排除;林育纯老师指导下,学生完成了多组富有创意的五四主题展板模型,设计新颖、制作精良。三场课堂的作品展示,生动体现了“教、学、做”合一的丰硕成果。

  手柄图

  

图片


  

图片


  

图片


  

图片


  故障树分析法

  

图片


  

图片


  

图片


  

图片


  五四主题展板

  

图片


  

图片


  

图片


  

图片


  

图片


  

图片


  评课环节:以评促教,共话成长

  示范课结束后,教研处组织开展集体评课研讨活动。教研处陈娟处长及各系部主任、教研组长分别对示范课进行深入细致、精准到位的点评,既充分肯定课堂亮点,也提出建设性指导意见,为后续教学质量提升指明方向。

  

微信图片_20260331153231_173_169.jpg


  陈娟处长首先肯定了教师们的出色表现,她指出:“严密老师展现了典型的一体化教学模式,逻辑清晰、安全规范到位,体现了高水平职业培训师素养;林育纯老师的课堂将思政教育自然融入专业教学,实现了‘润物细无声’的育人效果。”艺术设计系主任谭兵认为,林老师对“儿童视角”的强调非常专业,建议教师们可借鉴从学生视角出发设计课堂。对于沈梅老师的示范课,教研处陈娟处长认为其故障树教学法逻辑严谨,阶梯式任务设计符合学生认知规律,教学效果扎实。

  

沈梅课堂 (14).jpg


  

沈梅课堂 (15).jpg


  

图片5.png


  

图片3.png


  活动总结

  

DSC_4085.JPG


  3月,“巾帼绽芳华·课堂展风采”教学竞赛获奖女教师示范课展示活动圆满落幕;4月,“产教融合·协同育人——校企协同课堂展示公开课”活动即将接力启幕。课堂是教育教学的主阵地,质量是学校发展的生命线。学校始终坚持以公开课为抓手,以研促教、以教提质,在不断锤炼教师教学基本功的同时,深化课堂教学改革,努力让每一堂课都有温度、有深度、有效度,为学生的成长成才筑牢坚实根基。